Model Description

- Model Code: KHB Block-Type Ball Valve
- Connection Type: M Type, G Type, LR Type, SR Type, NPT (PT) Type
- Valve Body Material: I – Carbon Steel, IV – Stainless Steel
- Ball and Stem Material: I – Carbon Steel, IV – Stainless Steel
- Ball Seat Seal Material: I – POM, II – PTFE
- Connector and Stem Seal Material: I – NBR, II – FKM
- Handle Type: I – Zinc Alloy Handle, II – Steel Bent Handle
- Surface Treatment: I – Zinc Plated, II – Chrome Plated
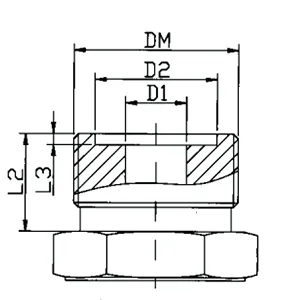
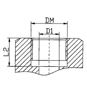
Overall Dimensions







| Model Number | PN | DN | D1 | D2 | DM | L | L1 | H | H1 | B |
| KHB-M16×1.5 | 500 | 06 | 06 | 11 | M16×1.5 | 69 | 11 | 32 | 13 | 28 |
| KHB-M22×1.5 | 500 | 08 | 08 | 16 | M22×1.5 | 76 | 12 | 38 | 17 | 34 |
| KHB-M27×1.5 | 500 | 10 | 10 | 20 | M27×1.5 | 76 | 12 | 38 | 17 | 34 |
| KHB-M30×1.5 | 400 | 15 | 15 | 24 | M30×1.5 | 84 | 13 | 40 | 19 | 36 |
| KHB-M36×2 | 315 | 20 | 19 | 30 | M36×2 | 103 | 15 | 51 | 24 | 45 |
| KHB-M42×2 | 315 | 25 | 24 | 35 | M42×2 | 116 | 18 | 60 | 29 | 55 |
| KHB-M52×2 | 315 | 32 | 30 | 40 | M52×2 | 149 | 20 | 70 | 34 | 65 |
| KHM-M60×2 | 315 | 40 | 36 | 45 | M60×2 | 174 | 27 | 88 | 40 | 80 |
| KHB-G1/8 | 500 | 04 | 04 | – | G1/8 | 69 | 10 | 32 | 13 | 28 |
| KHB-G1/4 | 500 | 06 | 06 | – | G1/4 | 69 | 14 | 32 | 13 | 28 |
| KHB-G3/8 | 500 | 10 | 10 | – | G3/8 | 72 | 14 | 38 | 17 | 34 |
| KHB-G1/2 | 500 | 13 | 13 | – | G1/2 | 83 | 16 | 40 | 17 | 36 |
| KHB-G1/2 | 400 | 16 | 15 | – | G1/2 | 83 | 16 | 46 | 19 | 38 |
| KHB-G3/4 | 315 | 20 | 19 | – | G3/4 | 95 | 18 | 51 | 24 | 45 |
| KHB-G1 | 315 | 25 | 24 | – | G1 | 113 | 20 | 60 | 29 | 55 |
| KHB-G11/4 | 315 | 32 | 30 | – | G11/4 | 110 | 22 | 70 | 34 | 65 |
| KHM-G11/2 | 315 | 40 | 38 | – | G11/2 | 130 | 24 | 88 | 40 | 80 |
| KHM-G2 | 315 | 50 | 48 | – | G2 | 140 | 26 | 105 | 48 | 100 |
| KHB-NPT1/8 | 500 | 04 | 04 | – | NPT1/8 | 69 | 10 | 32 | 13 | 28 |
| KHB-NPT1/4 | 500 | 06 | 06 | – | NPT1/4 | 69 | 14 | 32 | 13 | 28 |
| KHB-NPT3/8 | 500 | 10 | 10 | – | NPT3/8 | 72 | 14 | 38 | 17 | 34 |
| KHB-NPT1/2 | 500 | 13 | 12 | – | NPT1/2 | 83 | 16 | 40 | 17 | 36 |
| KHB-NPT1/2 | 400 | 16 | 15 | – | NPT1/2 | 83 | 16 | 46 | 19 | 38 |
| KHB-NPT3/4 | 315 | 20 | 19 | – | NPT3/4 | 95 | 18 | 51 | 24 | 45 |
| KHB-NPT1 | 315 | 25 | 24 | – | NPT1 | 113 | 20 | 60 | 29 | 55 |
| KHB-NPT11/4 | 315 | 32 | 30 | – | NPT11/4 | 110 | 22 | 70 | 34 | 65 |
| KHM-NPT11/2 | 315 | 40 | 38 | – | NPT11/2 | 130 | 24 | 88 | 40 | 80 |
| KHM-NPT2 | 315 | 50 | 48 | – | NPT2 | 140 | 26 | 105 | 48 | 100 |
| KHB-06LR | 500 | 04 | 04 | 06 | M12×1.25 | 87 | 10 | 32 | 13 | 28 |
| KHB-08LR | 500 | 06 | 06 | 08 | M14×1.5 | 67 | 10 | 32 | 13 | 28 |
| KHB-10LR | 500 | 08 | 08 | 10 | M16×1.5 | 74 | 11 | 38 | 17 | 34 |
| KHB-12LR | 500 | 10 | 10 | 12 | M18×1.5 | 74 | 11 | 38 | 17 | 34 |
| KHB-15LR | 500 | 13 | 12 | 15 | M22×1.5 | 82 | 12 | 40 | 17 | 36 |
| KHB-18LR | 500 | 13 | 12 | 18 | M26×1.5 | 82 | 12 | 40 | 17 | 36 |
| KHB-18LR | 400 | 16 | 15 | 18 | M26×1.5 | 82 | 12 | 40 | 19 | 36 |
| KHB-22LR | 315 | 20 | 19 | 22 | M30×2 | 101 | 14 | 51 | 24 | 45 |
| KHB-28LR | 315 | 25 | 24 | 28 | M36×2 | 108 | 14 | 60 | 29 | 55 |
| KHB-35LR | 315 | 32 | 30 | 35 | M45×2 | 141 | 16 | 70 | 34 | 65 |
| KHM-42LR | 315 | 40 | 36 | 42 | M52×2 | 162 | 16 | 88 | 40 | 80 |
| KHB-08SR | 500 | 04 | 05 | 08 | M16×1.5 | 73 | 12 | 32 | 13 | 28 |
| KHB-10SR | 500 | 06 | 06 | 10 | M18×1.5 | 73 | 12 | 32 | 13 | 28 |
| KHB-12SR | 500 | 08 | 08 | 12 | M20×1.5 | 76 | 12 | 38 | 17 | 34 |
| KHB-14SR | 500 | 10 | 10 | 14 | M22×1.5 | 80 | 14 | 38 | 17 | 34 |
| KHB-16SR | 500 | 13 | 12 | 16 | M24×1.5 | 86 | 14 | 40 | 17 | 36 |
| KHB-20SR | 500 | 13 | 12 | 20 | M30×2 | 90 | 16 | 40 | 17 | 36 |
| KHB-20SR | 400 | 16 | 15 | 20 | M30×2 | 90 | 16 | 46 | 19 | 38 |
| KHB-25SR | 315 | 20 | 19 | 25 | M36×2 | 109 | 18 | 51 | 24 | 45 |
| KHB-30SR | 315 | 25 | 24 | 30 | M42×2 | 120 | 20 | 60 | 29 | 55 |
| KHM-38SR | 315 | 32 | 30 | 38 | M52×2 | 153 | 22 | 70 | 34 | 65 |